电路图+实物图详解:交流接触器常用的接线方式!从简单到复杂
电路图+实物图详解:交流接触器常用的接线方式!从简单到复杂
交流接触器是一种自动化的控制电器。接触器主要用于频繁接通或分断交流电路,也可以切断事故电流,具有控制容量大,可远距离操作,配合继电器可以实现定时操作,联锁控制,各种定量控制和失压及欠压保护,广泛应用于自动控制电路,其主要控制对象是电动机,也可用于控制其它电力负载。

20安培以上的接触器加有灭弧罩,利用断开电路时产生的电磁力,快速拉断电弧,以保护接点。今天小编就给大家分享一些交流接触器常用的接线电路图和实物图,从简单到复杂讲解。
简单的点动:

实物图:


接触器的互锁:

实物图:


按钮的互锁:

实物图:

接触器还是正常接线,按钮接成互锁








同上,三个顺序启动控制:



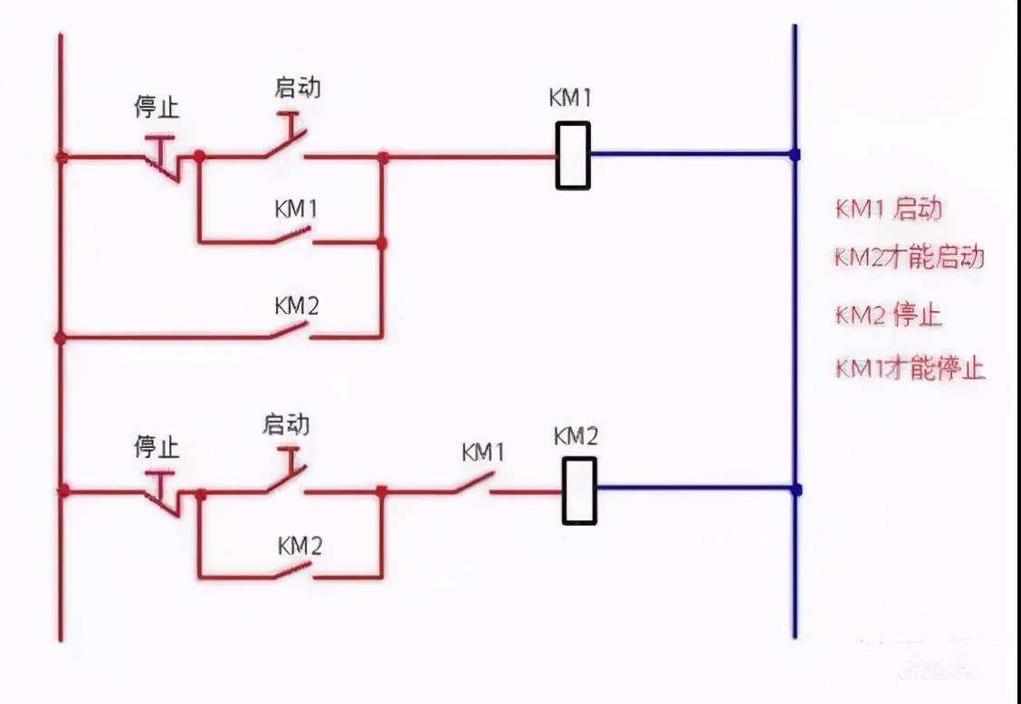
顺序启动停止:

星三角启动的控制线路:

小车往返控制电路图:
